Kevin Aghaei's Lab
A site dedicated to projects I do for fun. Hopefully you get a kick out of it!
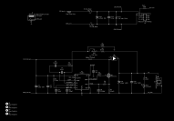
PSU Schematic
Δ